Welcome to My Personal Website

For ITI Trainees : E.D. Online Test - 03 (EDT03)

Home

Engg. Drawing Test Paper : 03 (EDT03)

Note: All questions have four options. Only one option is correct. Select correct option. Each question carry equal marks.


01. निम्न उदाहरण में अक्षरांकन का कौन सा प्रकार है?

A. Single stroke
B. Double stroke
C. Both single & double stroke
D. None of above

02. निम्न उदाहरण (3). में अक्षरांकन का कौन सा प्रकार है?

A. Single stroke
B. Single stroke inclined
C. Gothik
D. Gothik inclined

03. प्रश्न-02 के चित्र में Double stroke inclined अक्षरांकन कौन सा है?
A. प्रकार (1)
B. प्रकार (2)
C. प्रकार (3)
D. प्रकार (4)

04. निम्न उदाहरण में (A) से दिखाया गया विमांकन का कौन सा टर्म है?

A. Dimension line
B. Extension line
C. Arrowhead
D. Leader line

05. प्रश्न-04 के चित्र में (B) से विमांकन का कौन सा टर्म दिखाया गया है?
A. Leader line
B. Arrowhead
C. Dimension line
D. Extension line

06. प्रश्न-04 के चित्र में (C) से विमांकन का कौन सा टर्म दिखाया गया है?
A. Leader line
B. Arrowhead
C. Extension line
D. Dimension line

07. प्रश्न-04 के चित्र में (D) से विमांकन का कौन सा टर्म दिखाया गया है?
A. Leader line
B. Arrowhead
C. Dimension line
D. Extension line

08. विमांकन में एरोहेड की चौड़ाई और लम्बाई में क्या अनुपात होता है?
A. 3:1
B. 1:3
C. 1:5
D. 1:6

09. ड्राइंग में विमांकन(dimensioning) का क्या उद्देश्य होता है?
A. ड्राइंग फैंसी दिखने के लिए
B. अच्छा लगने के लिए
C. ऑब्जेक्ट की माप या स्थिति दर्शाने के लिए
D. कोई नहीं

10. BIS के अनुसार A2, A3 व A4 साइज की ड्राइंग शीट के बॉर्डर की चौड़ाई रखी जाती है-
A. 10 mm
B. 25 mm
C. 30 mm
D. 20 mm

11. इनमें Continuous thin with zigzags line का प्रकार कौन सा है?

A. लाइन A
B. लाइन B
C. लाइन C
D. इनमें से कोई नहीं

12. प्रश्न-11 के चित्र में Dashed thick line का प्रकार कौन सा है?
A. लाइन A
B. लाइन B
C. लाइन C
D. इनमें से कोई नहीं

13. निम्न चित्र में line का प्रकार कौन सा है?

A. Continuous thin
B. Chain thin double-dashed
C. Dashed thin
D. Dashed thick

14. प्रश्न-11 के चित्र में (C). से दर्शायी गयी line का प्रकार क्या है?
A. Chain thin line
B. Dashed thin line
C. Continuous thin
D. Dashed thick line

15. ड्राइंग में Aligned system विमांकन में विमाओं को पढ़ा जा सकता है-
A. ऊपरी हिस्से से
B. निचले हिस्से से
C. निचले और दाहिने हिस्से से
D. कहीं से नहीं

16. ड्राइंग में Unidirectional system विमांकन में विमाओं को पढ़ा जा सकता है-
A. ऊपरी हिस्से से
B. दाहिने हिस्से से
C. बाएं हिस्से से
D. केवल निचले हिस्से से

17. निम्न चित्र में विमांकन का कौन सा प्रकार प्रयुक्त किया गया है?

A. Aligned system
B. Unidirectional system
C. Aligned unidirectional
D. None

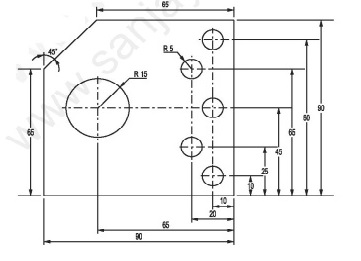
18. निम्न चित्र में विमांकन का कौन सा प्रकार प्रयुक्त किया गया है?

A. Aligned system
B. Unidirectional system
C. Aligned unidirectional
D. None

19. किस ड्राइंग शीट का क्षेत्रफल सबसे कम है?
A. A1
B. A0
C. A4
D. A3

20. कौन सा कथन सही है?
A. डायमेंशन लाइन एक दूसरे को काट सकते हैं
B. डायमेंशन लाइन एक दूसरे को काटना नहीं चाहिए
C. एक ही डायमेंशन को कई बार दिखा सकते हैं
D. इनमें से कोई नहीं







Check Test Result (EDT03)